Tisk
Tvarovka, typ F 210
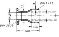
| Těleso: | Bezešvá ocel dle DIN 2448 |
|---|---|
| Příruba: | Příruba k navaření DIN 2632 PN 10 |
Tvarovka typ F 210 s přírubou je určená k navaření na ocelová potrubí. Navařovací hrdlo je tak dimenzováno, že je lze bezproblémově zatemovat a zavařit. K usnadnění svařovacích prací se nabízí tento kus se skosenou hranou.
Po navaření F-kusu se musí přezkoušet těsnost potrubí pod tlakem.
Na dotaz lze dodat tuto spojku i pro atypické průměry.
Dodávané rozměry
| Potrubí | da | Obj. čís | M | da | s | Váha |
|---|---|---|---|---|---|---|
| DN | mm | mm | mm | mm | kg | |
| provedení bez skosené hrany | ||||||
| 80 | 88,9 | 232.020 | 103 | 88,9 | 3,6 | 5,5 |
| 100 | 108/114,3 | 232.021 | 124 | 108 | 3,6 | 7,5 |
| 125 | 133/139,7 | 232.022 | 146 | 133 | 3,6 | 9,5 |
| 150 | 159 | 232.023 | 172 | 159 | 4,0 | 12 |
| 168 | 232.024 | 188 | 168 | 4,0 | 12,5 | |
| 200 | 219,1 | 232.025 | 233 | 219,1 | 5,0 | 19 |
| 250 | 267/273 | 232.026 | 287 | 273 | 5,6 | 24 |
| 300 | 323,9 | 232.027 | 338 | 323,9 | 5,6 | 30,5 |
| 400 | 419/406,4 | 232.028 | 432 | 406,4 | 6,3 | 49 |
| 500 | 508 | 232.029 | 530 | 508 | 6,3 | 65 |
| provedení se skosenou hranou | ||||||
| 80 | 88,9 | 232.520 | 103 | 88,9 | 3,6 | 5,5 |
| 100 | 108/114,3 | 232.521 | 124 | 108 | 3,6 | 7,5 |
| 125 | 133/139,7 | 232.522 | 146 | 133 | 3,6 | 9,5 |
| 150 | 159 | 232.523 | 172 | 159 | 4,0 | 12 |
| 168 | 232.524 | 188 | 168 | 4,0 | 12,5 | |
| 200 | 219,1 | 232.525 | 233 | 219,1 | 5,0 | 19 |
| 250 | 267/273 | 232.526 | 287 | 273 | 5,6 | 24 |
| 300 | 323,9 | 232.527 | 338 | 323,9 | 5,6 | 30,5 |
| 400 | 419/406,4 | 232.528 | 432 | 406,4 | 6,3 | 49 |
| 500 | 508 | 232.529 | 530 | 508 | 6,3 | 65 |
-
Armatury a bezpečnostní soupravy
- Speciální armatury pro opravy
- Speciální armatury s přírubovým odbočením
- Vysokotlaké armatury a objímky
- Speciální armatury se závitovým odbočením
- Uzavírací balony a armatury pro jejich vsazování
- Bezpečnostní armatury a ventily
- Domovní přípojky a kohouty
- Pružné spojky a trubní spojení
- Zvláštní armatury
- Bezpečnostní navrtávací armatury a zařízení
- Náhradní díly
-
Antikorozní a izolační systémy
- DENSO - Smršťovací manžety
- DENSO - Petrolátové izolace
- DENSO - Bitumen
-
DENSO - PE/butylkaučkové pásky
- DENSOLEN® - Primer
- DENSOLEN® - Antikorozní 2-vrstvá páska
- DENSOLEN® - Antikorozní 3-vrstvá páska
- DENSOLEN® - Hmota-Kyt-Výplňová hmota
- DENSOLEN® - Antikorozní 1-páskový izolační systém
- DENSOLEN® - Antikorozní 2-páskový izolační systém
- DENSOLEN® - Antikorozní 3-páskový izolační systém
- DENSO - Polyuretanové izolace
- DENSO - Mechanická ochrana
- DENSO - Systém "Dexpand"
- DENSO - Izolační strojky
- DENSO - Zatěsnění + Izolace
- DENSO - Izolace pro přístavy a mola
- DENSO - Palimex
- DENSO - Sealid "all in one"
- DENSO - Systém pro vlhké povrchy
-
Uzavírací prvky pro potrubí
-
Uzavírací a zkušební balony pro plynovody
- MDA™ 1 bar uzavírací balony
- Uzavírací balony pro balonové soupravy všech výrobců
- Uzavírací balony s delšími přívody
- Uzavírací balony s kónickými uzávěry
- Zdvojené balony bez odvětrání meziprostoru
- Uzavírací balony s měřením tlaku v potrubí
- Uzavírací balony se zesíleným obalem
- Zdvojené balony se zesíleným obalem
- Zasunovací uzavírací balony
- Zdvojené balony pro svařování inertním plynem
- Uzavírací balony pro konce potrubí
- Ručně vkládané zkušební a uzavírací balony
- Náhradní antistatické obaly pro všechny typy balonů
- Uzavírací a zkušební balony pro kanalizace
- Krátkodobé uzávěry potrubí
-
Uzavírací a zkušební balony pro plynovody
- VN defektoskopy
- Další měřící technika a zařízení


